Kontakta oss
Vanliga frågor
✓
Trustpilot Utmärkt
✓
Handla tryggt med SVEA
✓
Fri frakt över 999kr exkl. moms*
0
Din varukorg
certifierad ehandel
0
Din varukorg
Logga In
Mina favoriter
Verktyg & Maskiner
Arbetsplats & Skydd
Förbrukning & Maskintillbehör
Hållande och Spännverktyg
Mätverktyg
El och Belysning
Byggförnödenheter
Maskiner
Blästringsutrustning
Borrslipmaskiner
Elverktyg
Hydraulik
Induktionsvärmare
Metallmaskiner
Tryckluftsmaskiner
Momentverktyg
Förlängningsrör
Insticksverktyg
Momentmejslar och klingor
Momentnyckelprovare
Momentnycklar
Momentomvandlare
Spärrhuvud
Övriga Momentverktyg
Nitverktyg och Nit
Blindnittänger
Blindnitpistoler
Blindnitar
Blindnitmuttertänger
Blindnitmutterpistoler
Blindnitmuttrar / POP-Nuts
VDE-Verktyg 1000V
Hylsor och Hylsverktyg VDE
Kabelknivar VDE
Momentverktyg VDE
Skruvmejslar VDE
Skyddsutrustning VDE
Tänger VDE
Övriga verktyg VDE
VVS Verktyg
Expanderverktyg
Gängutrustning
Provtryckningspumpar och Spolenheter
Rensverktyg
Rörbockare och Vinkelbockare
Rörfräsar
Sanitärnycklar
Slang- och röravskärare
Tätningslin
Vatten & gasledningsprovare
Handverktyg
Avdragare
Bits
Bräckjärn och brytspakar
Elektrikerverktyg
Filar
Gradverktyg
Handsågar
Hylsor och hylsverktyg
Häftverktyg
Knivar
Murarverktyg
Märkverktyg
Nycklar
Saxar
Serviceverktyg
Skruvmejslar
Slagverktyg
Smörjverktyg
Träverktyg
Tvingar
Tänger
Verktygssatser
Verktygssäkring
Gnistfria verktyg
Brytspakar gnistfria
Huggmejslar gnistfria
Hylsnyckelsatser gnistfria
Hylsor gnistfria
Mejselhammare gnistfria
Nycklar gnistfria
Sexkantsnycklar gnistfria
Skruvmejslar gnistfria
Skruvnycklar gnistfria
Slagringnycklar gnistfria
Smideshammare gnistfria
Smidessläggor gnistfria
Spacklar gnistfria
Spadar och Skyfflar gnistfria
Spärrhandtag gnistfria
Tänger gnistfria
U-ringnycklar gnistfria
Specialverktyg Personbil
Bromsar
Däckservice
El
Förbrukningsmaterial Fordon
Hjulbyte
Karosseri & interiör
Kylsystem, värme & luftkonditionering
Motorer & aggregat
Transmission, axlar & styrning
Specialverktyg Tunga fordon
Bromsar
Motor & aggregat
Olje- & Bränslefilterverktyg
Transmission, axlar & styrning
Specialverktyg Motorcykel & Cykel
Chassi, bromsar & drivlina
Lyftdon
Motor & aggregat
Specialverktyg Cykel
Alla Verktyg & Maskiner
Arbetsplats
Arbetsbänkar & Bord
Arbetsplatsmattor
Arbetsplatsplattformar
Avspärrning
Fordonsskydd
Hjul
Liggbrädor & Knämattor
Lås & Nyckelbrickor m.m.
Pallben
Påkörningsskydd
Stegpallar
Städ & Pentry
Verkstadsgolv
Verkstadsskåp
Verktygstavlor
Åkstolar
Förvaring
Aluminiumboxar
Däckförvaring
Förvaringsskåp
Hyllor
Hylslister
Klädskåp
Nyckelskåp
Sortimentslådor
Verktygsbälten
Verktygsfodral
Verktygshållare
Verktygslådor
Verktygsväskor
Lyft & Transport
Domkrafter
Fordonstillbehör
Kranar
Kärror & Pirror
Lyftbord & Lyftvagnar
Lyftredskap
Motorlyftvagnar
Möbeltransportörer
Pallbur
Pallburar
Pallyftare
Rullbanor
Saxlyftvagnar
Sparkcyklar & Flakcyklar
Spännband
Staplare
Vagnar
Verktygsvagnar
Verktygsvagnar med verktyg
Verktygsvagnar utan verktyg
Verktygsinsatser till verktygsvagnar
Verktygsvagnar tillbehör
Personligt Skydd
Andningsskydd
Första Hjälpen
Hand- och Hudvård
Handskar
Huvudskydd
Hörselskydd
Krisprodukter
Skor och stövlar
Skyddskläder
Ögon- och Nöddusch
Ögonskydd
Miljö & Avfallshantering
Avfallskärl
Fatlyft
Tippcontainer
Uppsamlingskärl
Uteprodukter
Cykelställ
Salt & Sandspridare
Snöröjning
Trädgård
Alla Arbetsplats & Skydd
Fil, Slip och Borstar
Borstar
Kapverktyg
Poleringsverktyg
Rondeller
Skavstål
Slipverktyg
Skärande Verktyg
Borr
Brotschar
Fräsverktyg
Försänkare
Gängverktyg
Hålsågar
Kapklingor
Lettringsverktyg
Svarvverktyg
Sågblad
Vändskär
Tryckluft
Kopplingar och Nipplar
Luftbehandling
Tryckluftsslangar
Tryckluftsverktyg
Maskintillbehör
Kylvätskesystem
Vibrationsdämpning
Lödning och Gasolverktyg
Gasolverktyg
Lödning
Alla Förbrukning & Maskintillbehör
Spännverktyg och Chuckar
Borrchuckar
Borrchucksdorn
Chucknycklar
Fräsdornringar
Förlängningshylsor
Gängchuckar
Kantavkännare
Kiljagare
Klämhylsor
Markeringsverktyg
Multifix
Nollpunktsindikator
Parallellanslag
Pinnskruvar
Reduceringshylsor
Riktblock
Sexkantsmuttrar
Skyddslist för T-Spår
Spännbackar
Spännbultar och spännfästen
Spänndornar
Spännhylsor
Spännjärn
Spännklämmor
Spännunderlägg
Spännunderlägg - Spårklackar
Spännverktygssatser
Ställbara Låsspakar
Stöddockor
Stöddockor Modul
Svarvchuckar
Svarvdubbar
T-Spårmuttrar
T-Spårrensare
T-Spårskruvar
Toppstycken
Underläggsbrickor
Verktygsanslag
Verktygshållare
Magneter, tvingar och skruvstycken
Avmagnetiseringsplattor
Filklovar
Magnetblock
Magnetbord
Magneter
Skruvstycken
Maskinskruvstycken, Fräsbord och Snabbspännare
Backar
Förslutningsspännare
Kilspännare
Kompaktskruvstycken
Koordinatbord
Kraftspännare
Kraftspännare tillbehör
Längdanslag
Maskinskruvstycken
Plockare
Plockare tillbehör
Snabbspännare
Snabbspännare tillbehör
Spännklovar
Tryck- och Dragspännare
Vakuumplattor tillbehör
Vevhandtag
Alla Hållande och Spännverktyg
Industri- och verkstadsmät
Avkännare
Bladmått
Djupmått
Egglinjaler
Fjädervågar
Gradskivor
Gängmätare och gängmallar
Hålindikatorer
Hålmått och hålmätare
Höjdritsmått
Magnet- och Indikatorstativ
Maskinvattenpass
Metallfolie
Mikrometrar
Måttpinnar
Mätdator
Mätklockor
Mätsatser
Parallell provglassatser
Passbitar
Profilmallar
Provbänk
Radiemätare
Refraktometer
Skjutmått
Slipmallar
Snabbmätare
Stållinjaler
Stålskalor
Svetsmått
Svetsmått
Tjockleksmätare
Tolerator, filtrator, convertor
Tolkar
Tolkstål
Unimeter Universal & Uhrtast
V-Block och Vinkelprismor
Verkstadsvinklar
Vinkelmätare
Vippindikatorer
Eltest
Apparattestare
Fasföljdsvisare
Installationsprovare
Kontakttestare
Ledningsprovare
Magnetfältsprovare
Multimeter & Strömtänger
Mätledningar
Spänningsprovare
Hantverksmät
Avståndsmätare
Kors/Linje- och rotationslaser
Måttband
Måttstockar
Märksnören
Mäthjul
Mätstavar
Regelsökare
Strykmått
Sänklod
Vattenpass
Vinkelmätare
Vinklar
Inspektion
Förstoringsglas och lampor
Inspektionskameror
Luppar
Mikroskop
Stoppur
Mätinstrument
Fuktmätare
Gasdetektorer
Godstjockleksmätare
Hårdhetsprovare
Höjd- och längdmätare
IR-Termometrar
Klimatanläggning
Läcksökning
Motor & Oljetryck
Mätbord
Stetoskop
Termometrar
Tryck- och Kraftmätare
Ytjämningsmätare
Ytskiktsmätare
Alla Mätverktyg
Batterier
Alkaliska batterier
Batteri tillbehör
Batteriladdare
Batteritestare
Laddningsbara batterier
Litium batterier
Starthjälp
Belysning
Arbetsbelysning
Ficklampor / Stavlampor
Handlampor
Maskinbelysning
Pannlampor
Belysning tillbehör
Bygg-El
Byggcentraler
Grenuttag
Kabelvindor
Skarvkablar & Skarvsladdar
Stickproppar och Skarvuttag
Timers
Fläktar och AC
Alla El och Belysning
Förbrukningsmaterial
Fjädrar & sprintar
Genomföringsmuffar
Låsringar
Rep & Linor
Skruvar & Muttrar
Slangklämmor
Spik
Tätningsringar & O-ringar
Övrigt Förbrukningsmaterial
Limpistoler och varmluftspistoler
Limpistoler
Smältlim
Måleri
Elementpenslar
Fasadpenslar
Lackpenslar
Måleri tillbehör
Rollers och tillbehör
Rundpenslar
Streckpenslar
Tejp
Aluminiumtejp
Armerad tejp
Dubbelhäftande tejp
Eltejp
Gängtejp och Tätningsband
Halkskyddstejp
Kardborrband
Maskeringstejp
Packtejp
Tejphållare
Varningstejp
Vävtejp
Övigt bygg
Krokar & Upphängning
Övrigt bygg
Beslag
Byggtillbehör
Filttassar
Krokar & Upphängning
Lim och tätningsmedel
Limpistoler och varmluftspistoler
Olja
Blandarvispar / Maskinvispar
Drillapparater
Fogsprutor
Materialstöttor
Alla Byggförnödenheter
Förstasidan
Mätverktyg
Industri- och verkstadsmät
Mätklockor
Mätinsatser
Verktyg & Maskiner
Arbetsplats & Skydd
Förbrukning & Maskintillbehör
Hållande och Spännverktyg
Mätverktyg
Industri- och verkstadsmät
Avkännare
Bladmått
Djupmått
Egglinjaler
Fjädervågar
Gradskivor
Gängmätare och gängmallar
Hålindikatorer
Hålmått och hålmätare
Höjdritsmått
Magnet- och Indikatorstativ
Maskinvattenpass
Metallfolie
Mikrometrar
Måttpinnar
Mätdator
Mätklockor
Analoga
Digitala
Förlängare
Mätbryggor
Mätinsatser
Tillbehör
Mätsatser
Parallell provglassatser
Passbitar
Profilmallar
Provbänk
Radiemätare
Refraktometer
Skjutmått
Slipmallar
Snabbmätare
Stållinjaler
Stålskalor
Svetsmått
Svetsmått
Tjockleksmätare
Tolerator, filtrator, convertor
Tolkar
Tolkstål
Unimeter Universal & Uhrtast
V-Block och Vinkelprismor
Verkstadsvinklar
Vinkelmätare
Vippindikatorer
Eltest
Hantverksmät
Inspektion
Mätinstrument
El och Belysning
Byggförnödenheter
Mätinsatser
Visa
(0/1)
Tillverkare
Käfer
Klar
Sortera
Produktnamn
Modell (A-Ö)
Modell (Ö-A)
Pris (stigande)
Pris (fallande)
Rek.pris (stigande)
Rek.pris (fallande)
Klar
Filtrera
Sortera
Filtrera
Tillverkare
(0/1 vald)
Käfer
Visa resultat
Sortera
Produktnamn
Modell (A-Ö)
Modell (Ö-A)
Pris (stigande)
Pris (fallande)
Rek.pris (stigande)
Rek.pris (fallande)
23 produkter
Skapa ny lista
Skapa
Lägg till i inköpslista
Mina favoriter
{{ list.name }}
Käfer
Mätinsats stål stl. 1 Standard
18 kr
Finns i lager
Köp
Skapa ny lista
Skapa
Lägg till i inköpslista
Mina favoriter
{{ list.name }}
Käfer
Mätinsats stål stl. 10/ 4,8mm flat
66 kr
Finns i lager
Köp
Skapa ny lista
Skapa
Lägg till i inköpslista
Mina favoriter
{{ list.name }}
Käfer
Mätinsats stål stl. 12/ 10mm välvd
91 kr
Finns i lager
Köp
Skapa ny lista
Skapa
Lägg till i inköpslista
Mina favoriter
{{ list.name }}
Käfer
Mätinsats stål stl. 13/ 45° spets
91 kr
Finns i lager
Köp
Skapa ny lista
Skapa
Lägg till i inköpslista
Mina favoriter
{{ list.name }}
Käfer
Mätinsats stål stl. 14/ 1,5mm cyl. Stift
111 kr
Finns i lager
Köp
Skapa ny lista
Skapa
Lägg till i inköpslista
Mina favoriter
{{ list.name }}
Käfer
Mätinsats stål stl. 15/ 0,5mm spets
86 kr
Slut i lager
Visa
Skapa ny lista
Skapa
Lägg till i inköpslista
Mina favoriter
{{ list.name }}
Käfer
Mätinsats stål stl. 16/ 16mm konvex lång
54 kr
Finns i lager
Köp
Skapa ny lista
Skapa
Lägg till i inköpslista
Mina favoriter
{{ list.name }}
Käfer
Mätinsats stål stl. 21/ 3,0mm konvex
54 kr
Finns i lager
Köp
Skapa ny lista
Skapa
Lägg till i inköpslista
Mina favoriter
{{ list.name }}
Käfer
Mätinsats stål stl. 20/ 5,0mm skäregg
120 kr
Finns i lager
Köp
Skapa ny lista
Skapa
Lägg till i inköpslista
Mina favoriter
{{ list.name }}
Käfer
Mätinsats stål stl. 22/ 7,5mm rund
1 935 kr
Finns i lager
Köp
Skapa ny lista
Skapa
Lägg till i inköpslista
Mina favoriter
{{ list.name }}
Käfer
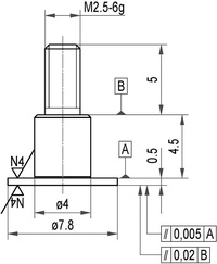
Mätinsats stål stl. 11/ 7,8x0,5mm tallrik
2 549 kr
Finns i lager
Köp
Skapa ny lista
Skapa
Lägg till i inköpslista
Mina favoriter
{{ list.name }}
Käfer
Mätinsats stål stl. 11/ 10,0x0,5mm tallrik
2 630 kr
Finns i lager
Köp
Visa fler
Föregående
1
2
Nästa